Главная
Галерея
Статьи
Фототехника
Клуб
Новые работы
·
Последние отзывы
·
Карта
·
Авторы
Золотой Фонд
·
"36 кадров"
·
Критика
MacroID (каталог-определитель)
·
Архив фотогалереи
Главная
·
Поиск
·
Зарегистрироваться
·
Войти
Главная
»
Технический раздел
»
Технические фото и рисунки
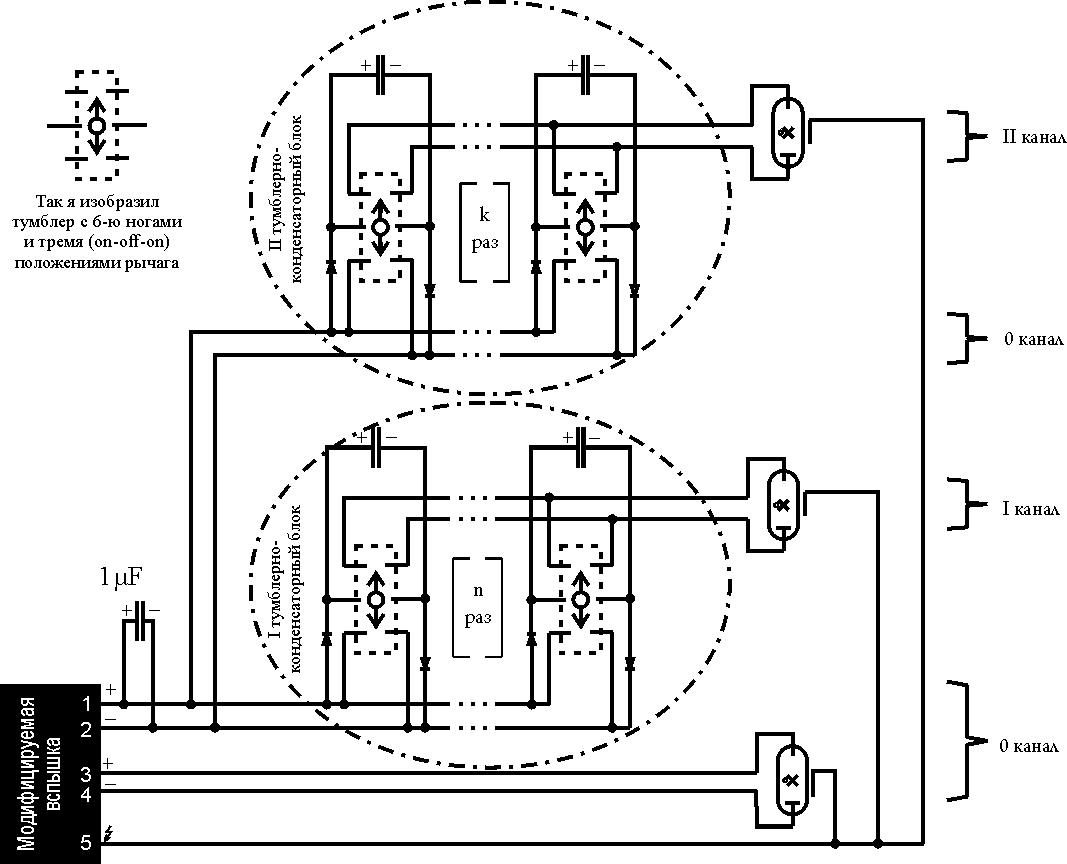
Принципиальная схема
Ondatr_ph
Поделиться
Категории:
Технические фото и рисунки
Детали фото
Ondatr_ph
Зарегистрирован: Ноябрь 2007
Сообщения: 807
К теме о макровспышке моей мечты в самоделках
·
Дата:
(Пн) 16 Июнь 2008 ·
Просмотров:
6918
Дополнительная информация
(добавить определение)
закрыть
Ключевые слова:
макровспышка
самоделка
Ссылка на иконку изображения:
HTML код:
Query time: 1.469 / 1.469 sec.
В магазине мебели Бергенсон Борн Вы можете купить
стул Bergenson Bjorn
, а также вешалки, светильники этого бренда. Доставка по России по цене транспортных компаний.
2005-2025 ©
MacroID.RU