Главная
Галерея
Статьи
Фототехника
Клуб
Новые работы
·
Последние отзывы
·
Карта
·
Авторы
Золотой Фонд
·
"36 кадров"
·
Критика
MacroID (каталог-определитель)
·
Архив фотогалереи
Главная
·
Поиск
·
Зарегистрироваться
·
Войти
Главная
»
Технический раздел
»
Технические фото и рисунки
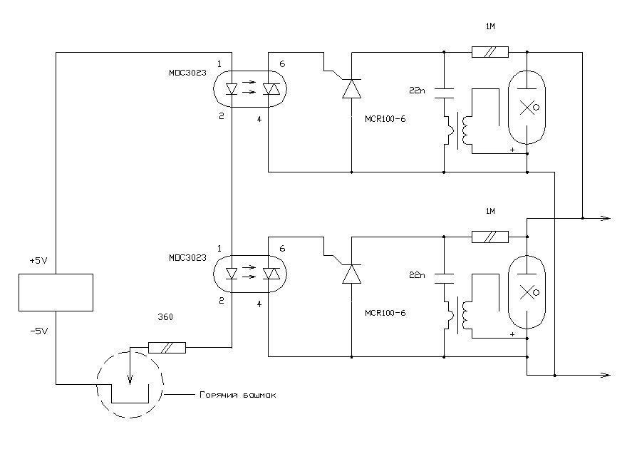
Синхронизатор для двух ламп
Boren
Поделиться
Категории:
Технические фото и рисунки
Детали фото
Boren
Зарегистрирован: Июль 2005
Сообщения: 370
Для темы Кто грамотен в электронике - подскажите, плз.
http://macroclub.ru/club/viewtopic.php?t=1764
·
Дата:
(Вс) 30 Март 2008 ·
Просмотров:
5346
Дополнительная информация
(добавить определение)
закрыть
Ключевые слова:
Синхронизатор
для
двух
ламп
Ссылка на иконку изображения:
HTML код:
Query time: 1.069 / 1.069 sec.
В магазине мебели Бергенсон Борн Вы можете купить
стул Bergenson Bjorn
, а также вешалки, светильники этого бренда. Доставка по России по цене транспортных компаний.
2005-2025 ©
MacroID.RU