|
|
|
|
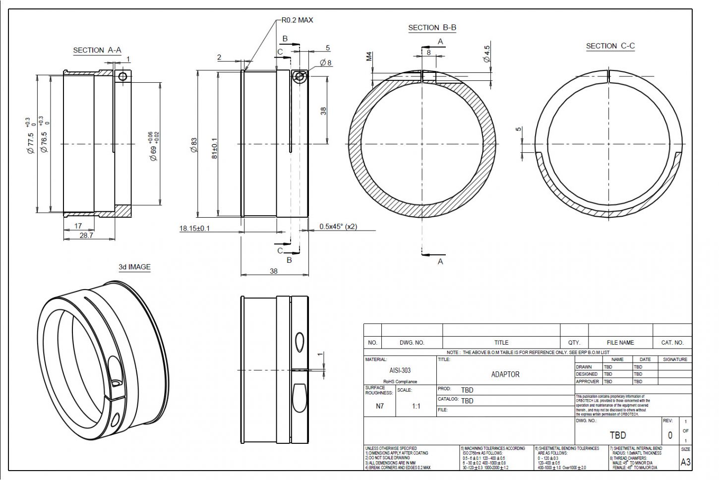
genfed: ... Архи необходимая вещь, отличнейшая реализация! А вот основная надпись на чертеже, батенька, не по ЕСКД выполнена, Вас чему в институте учили?!
Штамп стандартный, но не по ГОСТу, естественно. Что принято тут, то и используется...
Кавун Александр: Хорошо ещё размеры не в дюймах... 
Метрические стандарты вводятся в Англии, когда-нибудь и Штаты перейдут. В Израиле всегда был метрический стандарт. Тьфу-тьфу
|
(Сб) 22 Февраль 2014 18:31:50
|
|
|
|